Hosted onseedteamtalks.hyper.mediavia theHypermedia Protocol

Vestax Handy Trax Mod - Botón Start/Stop

    Vestax Handy Trax

    Handy Trax Mods:

    Botón Start/Stop del Motor

      Si posees el plato ya sabes que el motor solo se para cuando pones la aguja en el lugar de reposo. Esto no esta pensado para scratchear ni solo ni con amigos. Por eso es casi obligatoria de hacer este Handy Trax Mod a casi cualquier plato de Portablism, ya sea el Vestax Handy Trax o el Numark PT-01 en cualquiera de sus versiones.

      Para ello debemos hacernos con un botón a poner. Los botones a usar para esto son de dos tipo SPST o SPDT. Alguno de vosotros diréis ¿¿ y esto que co** es?. Lo explico, es muy sencillo, SPST significa Single Pole Single Throw (Simple Polo Simple Corte), en otras palabras, está siempre desactivado (0) y solo se activa (1) mientras lo mantienes apretado, al soltarlo volverá a desactivado (0). El SPDT  Single Pole Double Throw (Simple Polo Doble Corte) es aquel botón que cuando lo pulsas mantiene el estado, como la mayoría de interruptores de la luz de casa.

      Una vez sabemos esto debemos hacernos con un botón. En el ejemplo del tutorial de Open Format, vemos como usa un típico botón arcade. Este botón es del tipo SPST. Si usásemos este botón a pelo el plato solo giraría mientras lo mantenemos pulsado y eso es un poco incómodo. Por eso se ha de usar un Relé biestable (que guarda el estado) o en inglés Relay Latching (útil para buscar por internet).

      Arcade Button Mod: Vestax Handy trax

    Handy Trax Mod con botón SPDT

      Yo en mi caso he utilizado un simple botón SPDT con luz integrada (el que tenía por casa). Este facilita la instalación ya que no necesita Relé. Para hacer este mod debes abrir el plato, anular el Fin De Carrera o botoncito que hace girar el plato cuando pones el brazo encima. Para ello aconsejo desoldarlo y en los mismos agujeros que se quedan hay que cablear el botón SPDT.

      Handy trax abierto donde se observan las PCBs.

      Botón luciendo.

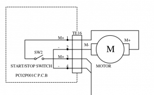
    Sobre el esquema

      Hablando sobre el esquema, lo que haremos será sustituir el SW2 que hay por nuestro botón SPDT.

      Eschema del motor del Handy Trax con el boton que incorpora donde se reposa la aguja.

      Finalmente la posición del botón, cada uno que lo ponga donde le resulte más cómodo. Tened en cuenta que la parte del plástico gris tiene un grosor mucho más grande que la otra por lo que puede afectar a la hora de poner el botón que tengáis.

    Modifica tu Vestax Handy Trax con Line In: Guía Completa Paso a Paso

    Entradas del Handy Trax de Vestax Vestax Handy Trax Mods Line In va a ser la modificación a tratar en este post. El Vestax HT tiene por defecto una entrada de línea pero al conectar algo aquí el plato deja de sonar. Esquema del mod Line In del Vestax HT: Conector Line IN. Mixer pasivo de Line In: Fin del mod

    19 November 2024
    Algineer